لیمیت سوئیچ باکالیت کامپی AP-T31Z11
(ویرایش با ماژول اعتمادسازی مشتری)
(ویرایش با ماژول اعتمادسازی مشتری)
لیمیت سوئیچ باکالیت کامپی مدل AP-T31Z11 ساخت ایتالیا میباشد. درجه حفاظت این لیمیت سوئیچ IP66 میباشد. این لیمیت سوئیچ دارای یک کنتاکت باز و یک کنتاکت بسته میباشد. حداکثر جریانی که از کنتاکت های این میکرو سوئیچ در ولتاژ 220 ولت میتوان عبور داد تقریباً 5 آمپر است.
لیمیت سوئیچ چیست؟
کلید حد یا لیمیت سوئیچ (Limit Switch) قطعهای از تجهیزات الکترومکانیکی است که با استفاده از قطعات مکانیکی با حضور یک ماده یا شیء شروع به فعالیت میکند. از میکرو سوئیچها برای کنترل حد، کنترل حالت، نمایش وضعیت، شمارش قطعه و سایر موارد استفاده میشود. لیمیت سوئیچها معمولاً در تنظیمات صنعتی امکان تشخیص حضور و نزدیکی یا عدم وجود یک ماده یا شیء را دارند. به ليميت سوئیچهایی که در ابعاد کوچک ساخته میشوند ميکروسوئيچهم گفته میشود.
لیمیت سوئیچها به دلیل استحکام، سهولت در نصب و عملکرد قابلاعتماد در محیطهای مختلف، کاربردهای مختلفی دارند که میتوان برای مثال به ماشینهای برش، نوارهای نقاله، ماشینهای تراش خودکار، جرثقیلها و بالابرها و به طور کلی در اکثر ماشینهایی که کنترل حرکت ابعادی در آنها موردنیاز است اشاره کرد.عمدتاً لیمیت سوئیچها با یک رله کنترلی، یک کنتاکتور و یا بهعنوان ورودی در یکPLC مورداستفاده قرار میگیرد.
امروزه با پیشرفت فنّاوری و ساخت سنسورهای الکترونیکی، اکنون در بیشتر موارد بهجای لیمیت سوئیچها از سنسورهای مجاورتی (Proximity Switch) استفاده میشود ولی هنوز هم به دلیل برخی از مزیتهایی که لیمیت سوئیچها نسبت به سنسورهای مجاورتی دارند از آنها استفاده میشود. لیمیت سوئیچها در اشکال و اندازههای مختلف نظیر فشاری ساده، اهرم دار، قرقره دار، غلطی و فنری جهت کاربردهای مختلف در صنعت وجود دارد.
مزیت لیمیت سوئیچها نسبت به سنسورها چیست؟
- نداشتن جریان نشتی و داشتن حداقل افت ولتاژ
- دارای بدنه مقاوم در برابر شرایط محیطی مختلف
- تحمل جریان بیشتر نسبت به سایر سنسورها
- راحتی نصب، استفاده آسان و قیمت کم
- عملکرد ساده تیغههای NO و NC
- مقاوم در برابر نویز الکتریکی
- دقت و تکرارپذیری بالا
معایب لیمیت سوئیچها نسبت به سنسورها چیست؟
- عمر کمتر کنتاکت ها نسبت به سنسورهای مجاورتی
- عدم قابلیت استفاده در همهی کاربردهای صنعتی
- خرابی قسمتهای متحرک
در انتخاب یک لیمیت سوئیچ چه نکاتی باید رعایت کرد؟
- نوع لیمیت سوئیچ (اهرمی، قرقرهای، فشاری و...)
- جنس بدنه لیمیت سوئیچ (فلزی، باکلیت)
- شکل ظاهری لیمیت سوئیچ
- تعداد و نوع کنتاکت
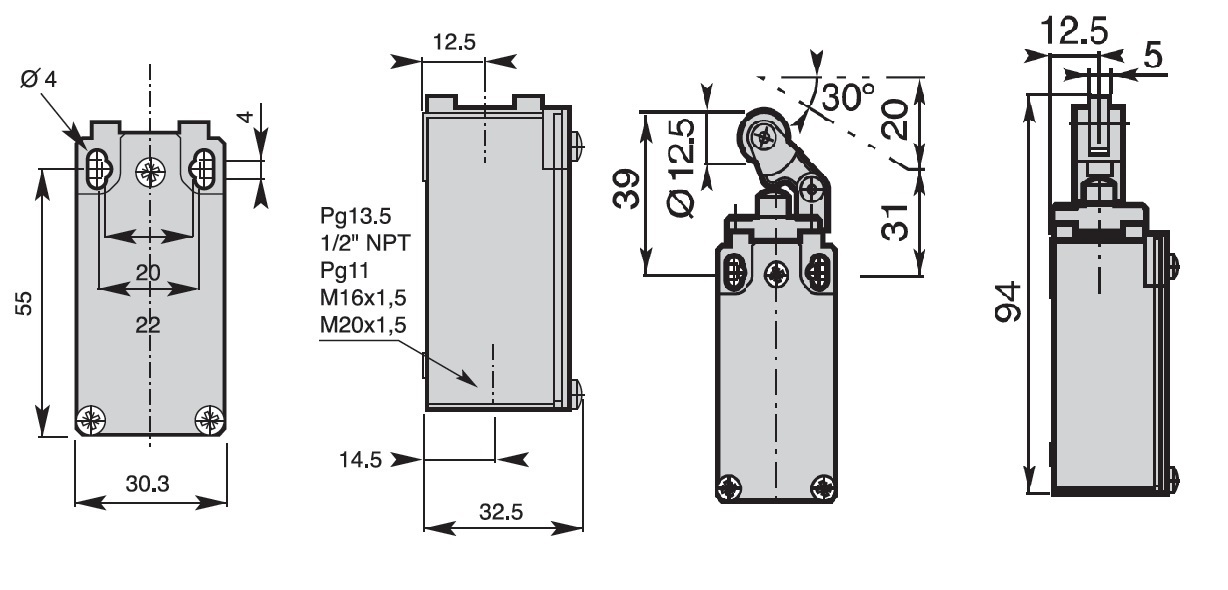
ابعاد لیمیت سوئیچ باکالیت کامپی AP-T31Z11
ازآنجاکه برای تعویض لیمیت سوئیچ و یا نصب میکرو سوئیچ در یک دستگاه ابعاد و اندازهها بسیار مهم است، اندازه لیمیت سوئیچ AP-T31Z11 بهصورت زیر میباشد.
مشخصات
- سوئیچ - نوع قطعه
- لیمیت سوئیچ
- سوئیچ - جنس بدنه
- باکالیت
- سوئیچ - نوع لیمیت سوئیچ
- غلطک دار یک طرفه
- سوئیچ - گردگیر
- ندارد
نظردهید